محققان دانشگاه کالج لندن: فولاد کرومیوم اولینبار در ایران باستان تولید شد
تاریخ ابداع فولاد کرومیوم در ایران به قرن یازدهم میلادی بازمیگردد.
پژوهش محققان دانشگاه کالج لندن نشان میدهد تولید فولاد کرومیوم، نزدیک به آنچه امروز بهعنوان فولاد ابزاری میشناسیم، نخستینبار در ایران و حدود قرن یازدهم میلادی انجام شده است. این یافته تاریخچه فولاد کرومیوم را نزدیک به یک هزاره عقب میبرد و جایگاه ایران را در تاریخ فناوری فلزات پررنگتر میکند.
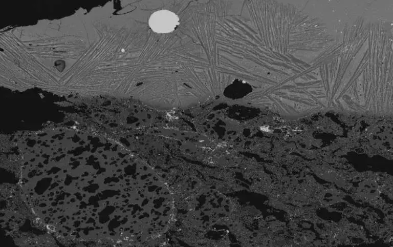
به گزارش ساینس دیلی، این مطالعه که در ژورنال Journal of Archaeological Science منتشر شده، بر پایه ترکیب نسخههای خطی فارسی قرون وسطی و کاوشهای باستانشناسی در محوطه چاهک در جنوب ایران انجام شده است. پژوهشگران با تحلیل این منابع نشان دادند صنعتگران ایرانی در چاهک، فولاد کرومیوم را در کورههای بوتهای تولید میکردند.
فولاد کرومیوم برای اولینبار در جنوب ایران بهوجود آمد
فولاد کرومیوم تا امروز بهعنوان نوآوری قرن بیستم شناخته میشد و بسیاری از متخصصان علم مواد، تاریخدانان و باستانشناسان آن را محصول عصر صنعتی میدانستند. پژوهش مذکور این دیدگاه را بهطور جدی بهچالش میکشد و نشان میدهد ریشه این فناوری به دستکم قرن یازدهم میلادی و ایران میرسد.

«راحیل علیپور»، پژوهشگر باستانشناسی دانشگاه کالج لندن و نویسنده این مقاله، میگوید: «پژوهش ما نخستین شواهد از افزودن عمدی یک کانی حاوی کروم به فرایند تولید فولاد را ارائه میدهد. باور داریم این فناوری پدیدهای ایرانی بوده است.» او توضیح داد این کشف، هم تاریخ تولید فولاد کرومیوم را جابهجا میکند و هم ابزاری شیمیایی برای شناسایی منشأ آثار فولاد بوتهای در موزهها بهدست میدهد.
چاهک در چند نسخه خطی تاریخی از قرن دوازدهم تا نوزدهم میلادی بهعنوان مرکز مشهور تولید فولاد معرفی شده است. این محوطه تنها سایت شناختهشده در مرزهای کنونی ایران بهشمار میرود که شواهد روشنی از تولید فولاد بوتهای دارد. بااینحال، بهدلیل وجود روستاهای متعدد با نام چاهک در ایران، محل دقیق این صنعت مبهم مانده بود.
نسخه خطی «الجماهر فی معرفه الجواهر» نوشته «ابوریحان بیرونی» در قرون دهم تا یازدهم میلادی، نقش کلیدی در این پژوهش داشت. این متن تنها دستور شناختهشده برای ساخت فولاد بوتهای را ثبت کرده و از مادهای ناشناخته یاد کرده بود.
محققان با تحلیل متن ابوریحان بیرونی نشان دادند که این ماده ناشناخته همان کانی کرومیت بوده که در دستور ساخت فولاد بوتهای کرومیوم بهکار رفته است. این تفسیر، پلی میان توصیفهای متنی و شواهد آزمایشگاهی ایجاد کرد و امکان بازسازی فرایند تاریخی تولید فولاد کرومیوم را فراهم ساخت.
«تیلو رِرن» (Thilo Rehren)، استاد باستانشناسی دانشگاه کالج لندن و و نویسنده همکار این مطالعه، توضیح داد: «در نسخه خطی فارسی قرن سیزدهم که دکتر علیپور ترجمه کرده، فولاد چاهک بهخاطر نقشونگار ظریف و زیبا مشهور بود، اما شمشیرهای آن شکننده توصیف شدهاند و بههمین دلیل ارزش بازار خود را از دست دادند.» او افزود امروز چاهک روستایی کوچک و متکی بر کشاورزی است که پیش از شناسایی اهمیت باستانشناسی خود، تنها بهخاطر زمینهای کشاورزی شناخته میشد.
نتایج این پژوهش نشان میدهد در چاهک سنتی متمایز از روشهای شناختهشده آسیای میانه در ازبکستان و ترکمنستان شکل گرفته بود. صنعتگران این منطقه فولاد بوتهای کمکروم با حدود ۱ درصد وزنی کروم تولید میکردند و بدینترتیب یک سنت ایرانی مستقل در تولید فولاد کرومیوم پدید آوردند.
منبع: دیجیاتو